logowanie
|
rejestracja
spis treści
·
co nowego
·
klub
·
samochody
·
biblioteka
·
garaż
·
forum
·
ogłoszenia
·
ftp
·
email
capri.pl
»
biblioteka
»
książki serwisowe
»
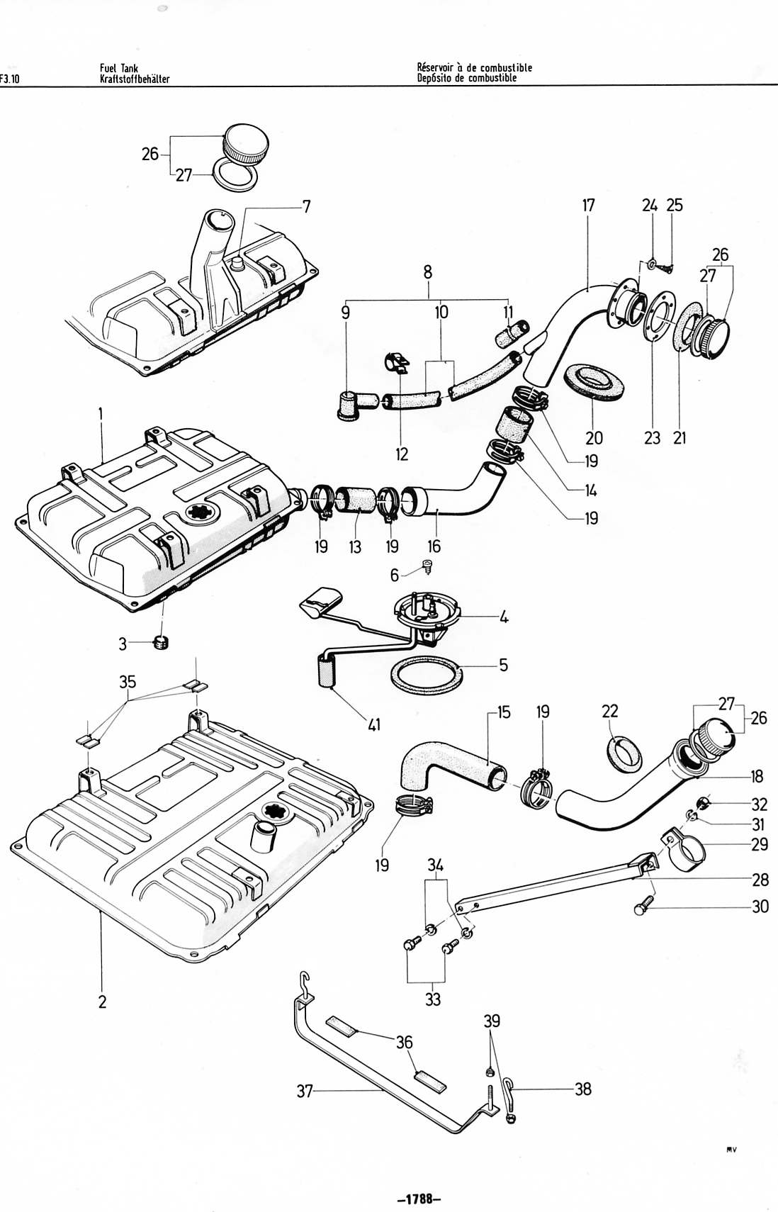
Ford Transit I - lista części
»
okolice silnika - zawieszenie, wydech, chłodnica
» strony
Strona z książki "Ford Transit I - lista części" - okolice silnika - zawieszenie, wydech, chłodnica
[
1
2
3
4
5
6
7
8
9
10
11
12
13
14
15
16
17
]
Pełny rozmiar:
1098x1710 px | 145.4 kB