logowanie
|
rejestracja
spis treści
·
co nowego
·
klub
·
samochody
·
biblioteka
·
garaż
·
forum
·
ogłoszenia
·
ftp
·
email
capri.pl
»
biblioteka
»
mikrofilmy
»
Katalog części: Ford Transit I
» D1.90 - wyłącznik pompy paliwa (diesel)
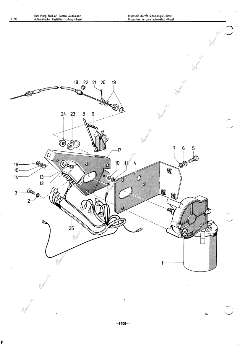
Katalog części: Ford Transit I - D1.90 - wyłącznik pompy paliwa (diesel)
Komentarze
[
dodaj nowy komentarz
]