logowanie
|
rejestracja
spis treści
·
co nowego
·
klub
·
samochody
·
biblioteka
·
garaż
·
forum
·
ogłoszenia
·
ftp
·
email
capri.pl
»
biblioteka
»
mikrofilmy
»
Katalog części: Ford Transit I
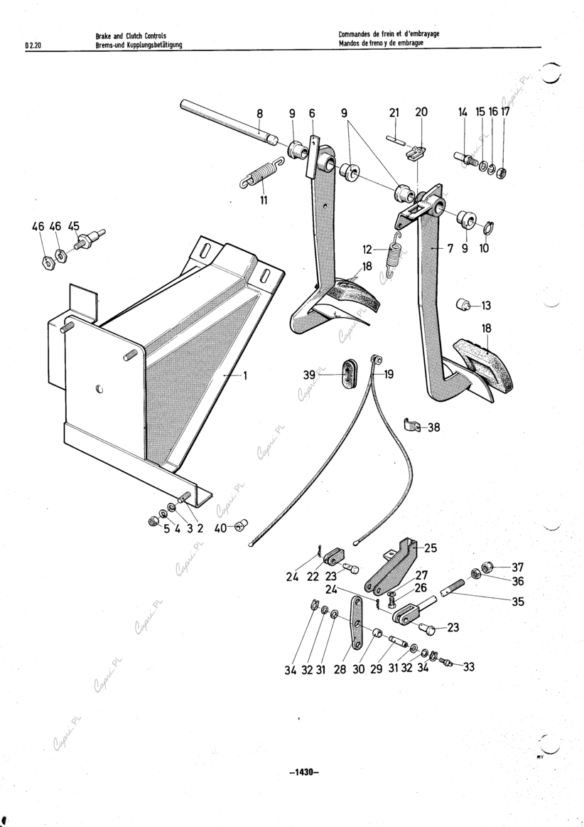
» D2.20 - pedały hamulca i sprzęgła (od 12.1970)
Katalog części: Ford Transit I - D2.20 - pedały hamulca i sprzęgła (od 12.1970)
Komentarze
[
dodaj nowy komentarz
]