Mikrofilm:
skrzynie biegów - sekcja A03 - typ C3
Dane techniczne:
| Typ: | Ford C3 (Bordeaux) | ||||||||
| Pozycje dźwigni: | P R N D 2 1 | ||||||||
| Typ oleju: |
do 1981 (czarny korek/wlew oleju): ATF Ford SQM-2C9007-A (Q-Matic)
od 1981 (czerwony korek/wlew oleju): ATF Ford SQM-2C9010-A (D-Matic) |
||||||||
| Objętość oleju: | konwerter 235mm: 6.5 litra konwerter 260mm (USA): 7.5 litra |
||||||||
| Przełożenia: |
|
Tabliczka identyfikacyjna:

Przekrój skrzyni:

Elementy wewnętrzne skrzyni:

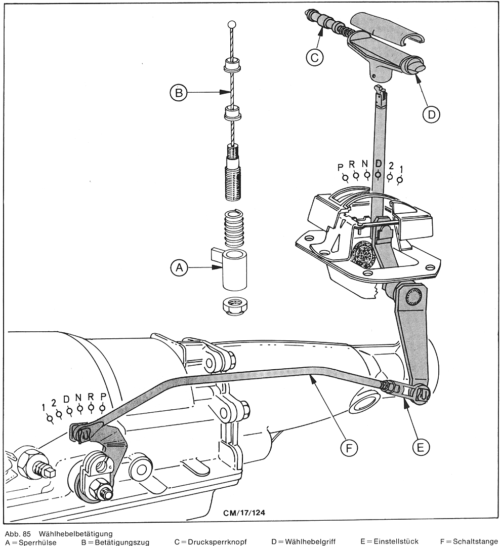
Dźwignia zmiany biegów:





