



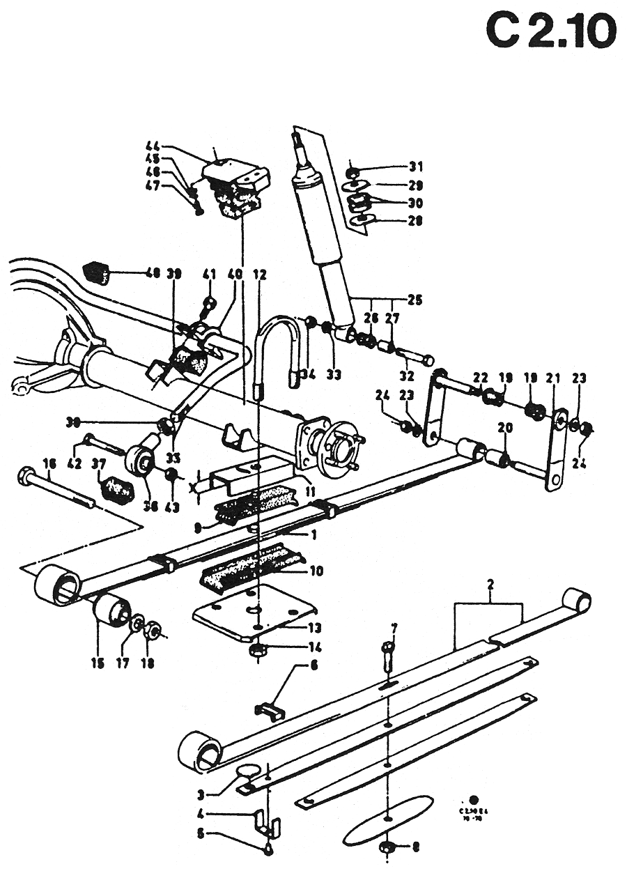
właśnie zdechło tylne zawieszenie w moim Escorcie ( MKII )
muszę wymienic wszystkie kiedys gumowe polaczenia i w związku
z powyzszym pytanie : od czego na Boga pasuja gumy tylnego
stabilizatora oznaczone na schemacie nr 37
odpowiedz( chetnie z rozszerzeniem o inne zamienniki )
warta krate piwa :)
i jeszcze jedno czy rozrząd w w/w bzyku jest na pasek
czy łańcuszek ?
cossi [2001-10-26 11:35:20]
wydaje mi sie ze tylne zawieszenie w modelach do 9.1971 wygladalo troche inachej
zamiast stabilizatora byly drazki reakcyjne
Norbi [2001-11-22 20:34:22]
NIE ZNOSZĘ RESORÓW, OD RAZU przypomina mi się wymiana mostu w dużym fiacie, brrr.... (3 razy to robiłem ale w szumie szybko to się odbywało)
po co te resory w Caprim??
czemu nie sprężyny ???
ADRIANna44 [2002-10-19 09:20:43]
Żeby mu się du... nie obrywała jak w Taunusach :)
w moim capri amortyzatory tylne są przykręcone jeden przed a drugi za mostem, czy to normalne?
[anonim] [2002-11-15 17:08:16]
Tak we wszystkich MkII i mkIII tak jest, nie wiem jak w mkI.
Pozdro
jagoolmk2 [2002-11-15 20:42:15]
wg mnie to przy resorach się może szybciej coś urwac, bo obciążenie z tylnego wieszaka resora jest przenoszone na sam tył auta, więc większe są naciski gnące samochód, widziałem jak w I-ynce resor wpadł do bagażnika, a siła ze sprężyn jest przenoszona dokłądnie nad osią a nie gdzieś aż pod zderzak jak w capri i dużym fiacie, konstrukcja jest więc z założenia sztywniejsza
ADRIANna44 [2003-02-14 17:01:34]
paniał
ADRIANna44 [2003-03-03 21:48:51]
jamam capri 3 i 77 amam drążki czy to normalne??
gielan@tlen.pl [2005-06-24 23:44:07]
Mam nietypowe pytanie.
Czy mocowania górne amortyzatorów tylnych względem środka tylnej osi są przesunięte w stronę przodu auta czy może powinny wypadać idealnie nad osią?
Ktoś może sprawdzał to kiedyś?
Mi wychodzi, że są przesunięte o ~35mm w stronę przodu.
Zastanawiam się czy nie walnąłem się gdzieś w pomiarach.
Z góry dzięki za pomoc.
Mowa o FCMK3
♠Zoggon♠
[2023-07-28 18:09:52]
czy ktoś odpowie mi na pytanie, czy istnieją jakieś korzyści z zakładania podwójnych amortyzatorów przy tylnym zawieszeniu? wiem że takie rozwiązanie są stosowane w offroadzie. czy wystarczą pojedyncze sprawne amortyzatory? czy może założyć podwójne i będzie wtedy "lepiej"?
bartozłomero
[2024-02-12 11:38:26]
Nie tylko w offroadzie. 50-60 lat temu podwójne amory z tyłu miało kilka modeli Jaguara (zdecydowanie szosowych), Ferrari BB, Lambo Countach, większość modeli TVR, a nawet tylnosilnikowe sportowe renówki (R8 Gordini i Alpine A110). Wobec konieczności zapewnienia precyzyjnego prowadzenia kół łamanej tylnej osi w dobie lejących i awaryjnych amortyzatorów było to więc - można zaryzykować - rozwiązanie spotykane.
Choć zdecydowanie zarezerwowane dla firm, gdzie księgowi mogli tylko powiedzieć "tak jest!".
Nie pamiętam podwójnych spiral przy sztywnym tylnym moście, ale już przed wojną (w dobie amortyzatorów ramieniowych) podwójne spirale z tyłu miały Mercedesy W22 i W29.
Pozdreaux